Sastavljanje kultivatora od starih delova nije lako. Dijelove je potrebno podesiti kako bi sklop bio izvodljiv. Ako čovjeku ruke rastu s pravog mjesta, onda mu neće biti teško napraviti domaći kultivator.
Prije nego počnete sastavljati svoj kultivator, morate se upoznati s vrstama opreme. Zavisit će od kojih čvorova će se sastojati domaći proizvod i koje će zadatke moći obavljati.
Na domaćim kultivatorima mogu se koristiti dvije vrste motora:
Odlukom o vrsti motora, možete početi razmišljati o dizajnu i funkcionalnosti budućeg kultivatora.

Prema načinu kretanja, tehnika je dva tipa:
Samohodna vozila su teška za proizvodnju. Ovdje se mogu ugraditi čak 2 mjenjača. Jedan od njih koristi ekspres. Potrebno je rotirati rotirajuću mlaznicu, čime se rahli zemlja. Uz pomoć drugog mjenjača, pogonski kotači se pokreću.

Nesamohodni kultivatori imaju najjednostavniji uređaj. Kretanje je uzrokovano rotacijom rezača. Jedinica ima dva kotača, ali oni nisu vodeći, već jednostavno služe kao zaustavljanje za pojednostavljeno kretanje. U principu, kultivator se ne može napraviti bez potpornih točkova. Stalno će se ukopavati u zemlju. Osim toga, potporni kotači pomažu u regulaciji dubine obrade tla.

Ako ste već odlučili sastaviti motokultivator vlastitim rukama, onda je bolje potrošiti više vremena na izradu modela s pogonskim kotačima.

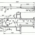
Da biste sami sastavili kultivator, trebat će vam crteži svih čvorova. Primjer dijagrama s dimenzijama prikazan je na fotografiji. Možete potražiti druge crteže kultivatora ili izraditi svoje.
ICE za kultivator je prikladan za moped, snažnu motornu pilu ili motocikl. Ako se odluči napraviti električnu instalaciju, tada će motor dolaziti iz industrijske ventilacije ili kompresora.
Menjač je potreban za bilo koju vrstu kultivatora. Brzina osovine motora je prevelika. Mjenjač smanjuje brzinu, čime se povećava sila rotacije radnog vratila.
Sve komponente kultivatora su montirane na ram, a oprema se kontroliše pomoću ručki. Ovi elementi su zavareni od cijevi ili profila. Struktura mora biti čvrsta. Prekomjerna težina nije prepreka. Samo od toga će doći do boljeg spajanja točkova kultivatora sa zemljom.

Ako niste mogli pronaći snažan električni motor, možete uzeti 2 komada od 1,5 kW. Nakon fiksiranja na okvir, kombiniraju se s pojasevima u jedan sistem. Tek tada se na jedan motor ugrađuje dvožilna remenica. Od njega će se obrtni moment prenijeti na remenicu radne osovine mjenjača kultivatora.

Zadnji točkovi su otporni. Jednostavno se pričvršćuju na ram pomoću osovine sa ležajevima. Vodeća je prednja osovina kultivatora. Ovdje se postavljaju noževi, postavljaju se transportni kotači ili ušice.
Mjenjač je savršen od pokvarenog moto-traktora Neva. Prije upotrebe, mora se rastaviti da bi se pregledali zupčanici. Dijelove sa polomljenim zubima potrebno je zamijeniti.

Okvir kultivatora je zavaren od konvencionalne čelične cijevi okruglog presjeka promjera 32 mm. Za ručke je poželjno uzeti nešto tanju cijev, prečnika oko 20-25 mm. Nosač za pričvršćivače mora biti zavaren na okvir sa stražnje strane. Može se ukloniti i sa pokvarenog hodnog traktora. Potisni točkovi pogodni za poljoprivrednu opremu. Od kupljenog materijala potrebna je samo dugačka žica preko koje će se motori napajati električnom energijom.
Dakle, za kultivator je potreban motor sa unutrašnjim sagorevanjem sa vazdušnim hlađenjem. U našem primjeru uzimamo model D 8 sa starog mopeda. Fotografija prikazuje dijagram kultivatora. Može se koristiti za određivanje lokacije svih čvorova.

Montaža kultivatora ima gotovo iste korake koji su poduzeti u slučaju korištenja elektromotora. Prvo se pravi okvir sa ručkama, a zatim se montira motor. Dizajniran je za vazdušno hlađenje, ali kultivator se kreće malom brzinom i to nije dovoljno. Prije motora potrebno je ugraditi ventilator ili opremiti metalni rezervoar za vodu oko radnog cilindra. Uređaj je primitivan, ali neće dopustiti da se blok cilindra pregrije.
Menjač za ovaj kultivator se koristi lančani sa dva stepena. Zvjezdica je uzeta jedna izvorna sa mopeda, a druga je bicikl. Svi rotirajući mehanizmi prekriveni su čeličnim kućištem.
Video prikazuje proces izrade kultivatora:

Puzalica je potrebna za smanjenje brzine kultivatora. Najčešće je tražen pri radu s priključcima. Ovaj sklop se kupuje tvornički ili samostalno. Općenito, za smanjenje brzine, lakše je staviti točkove većeg prečnika na kultivator. Ako vam ova opcija ne odgovara, možete sastaviti jednostavnu puzavicu:
Ova puzavica je spremna. Možete staviti kotače, rezače i nastaviti raditi kao motokultivator, ali pri manjoj brzini.

Nije teško popraviti motokultivator vlastitim rukama zbog jednostavnosti dizajna opreme. Pogledajmo najčešće probleme i kako ih riješiti:
Video govori o radovima na popravci:
Popravak domaćeg kultivatora je lakši, jer su svi čvorovi sastavljeni samostalno. Znate li od čega su napravljene?. Bolje je povjeriti složenu kvar tvornički proizvedene opreme stručnjacima servisnog centra.

